
潜水搅拌机技术协议:
潜水搅拌机可以被提升和放下,可以方便地卸下进行检查或服务,而无需工作人员进入池体或井中。潜水搅拌机有一个滑动的导杆支架作为其整体的一部分,潜水搅拌器的整个重量受力在一个支架上,导杆支架能够承受搅拌器造成的所有推力。潜水搅拌机及其附件和电缆,潜水搅拌机能够连续浸没在一般不超过深度为20米的水下工作而不损失其水密性。
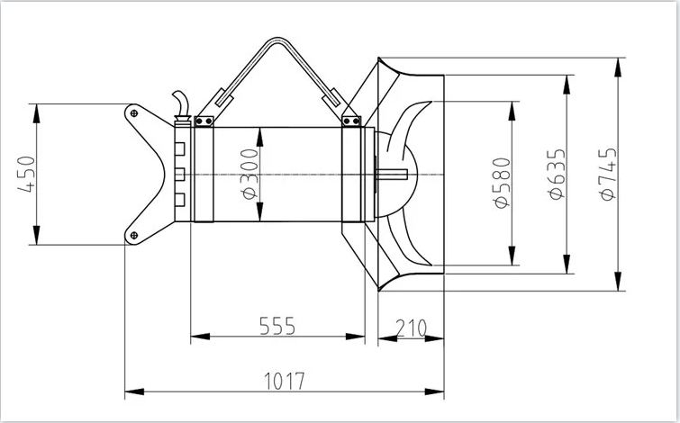
(1) 壳体:
适应于污水具有酸碱、有机物、热污染、腐蚀性溶液等工作环境。潜水搅拌机壳体的主要材质为304不锈钢;而所有的螺母、螺钉和垫圈则应为不锈钢或更好的材质。
(2) 电机:
电机根据水深工作的需要,一般选用高绝缘等级(F 级)的标准定子和标准转子组件组装到设计紧凑的潜水搅拌机壳体内。电机功率等级和安装尺寸均应符合I.E.C 国际标准,特别对接线端口设计能够密封,能把电机和外界分隔。
(3)叶轮:
潜水搅拌机叶轮的设计根据潜射流理论,采用水力平衡的无堵塞的拽后设计,可传递对应电动机输出的搅拌效率,在叶片设计时需考虑到防止水草或异物缠绕桨叶的因素。为了获得远流程的流场要求,设有导管式罩。制造完毕后需进行静平衡校验。
(4) 密封装置:
潜水搅拌机由于长期在水下工作,故其密封性是非常重要的。静压密封均采用“O”型橡胶圈。在潜水搅拌机端轴的动密封采用内装单端面大弹簧非平衡的机械密封动、静环,材料为碳化钨或碳化硅。
(6) 监控系统
在每相定子绕组线圈中装入热敏开关,当热敏开关断开时,电机停止运行并报警。在潜水电机油室设置油室漏水传感器:当水渗入油室时,传感器将发出报警信息。在潜水电机定子室设置漏水传感器:定子室中渗入水份时,电机停止运行并报警。热敏开关、油室漏水传感器和定子室漏水传感器经导线引至电机接线盒(接线盒内有端子板,而端子板则应使用弹性“0”型环与电机密封)。接线盒内的接线板应采用穿线压紧杆方式长期固定和连接电缆导线及定子进线。
(7) 动力和控制电缆:
潜水控制电缆和动力电缆的尺寸符合I.E.C标准并提供足够的长度以接入接线箱,且不能拼接。电缆外护套是低吸水性的防泄露氯丁橡胶,并且其机械柔性能承受电缆进线处的压力。
电缆至少能在水下20m处连续使用而不失其防水性能。采用远程的监控工作站则可以利用编程进行远程的实时数据调用、参数修改功能,达到远程监控目的。

杜安环保QJB潜水搅拌机的四种安装方式:
QJB潜水搅拌机的安装系统,一共有四种安装方式,可以根据现场实际情况选取其中一种。
安装系统一安装顺序:支撑架(上) →上转盘→导杆→支撑架(下)→潜水搅拌机(含下转盘)→按要求调整潜水搅拌机角度→电缆膨胀钩→电缆固定夹。
安装系统二安装顺序:底座→导杆→支座→支撑架(中)→起吊架→手拉葫芦→起吊环链→潜水搅拌机→按要求调整潜水搅拌机角度→电缆膨胀钩 → 电缆固定夹。
安装系统三安装顺序:底座 →导杆→支撑架(上)→支撑架(中)→吊架座→起吊架→手拉葫芦→起吊环链→潜水搅拌机→按要求调整潜水搅拌机角度→电缆膨胀钩→电缆固定夹。
安装系统四安装顺序:导杆→托架→ 吊架座→起吊架→手拉葫芦→起吊环链→潜水搅拌机→电缆膨胀钩→电缆固定夹。
铭泥池潜水搅拌机QJB5/121-620/3-480技术要求现场电控箱的技术要求:(1)电控箱内主要电气元件:断路器、接触器、电机综合保护器、转换开关、按钮、指示灯(LED光源)等。主要元件的电压、电流等级与所控设备匹配,并留有余量,均采用合资或独资企业(如ABB、GE、西门子等)的产品。
柜内塑料元件无卤素,CFC,阻燃,自熄。
(2)电控箱为不锈钢外壳,防护等级IP42,并配1.2米高不锈钢安装支架等附件。
(3)每台电控箱进线电源为一路380V/220V三相五线制电源,电控箱内部所需的控制电源在箱内自行解决,控制电源为交流220V。若需其它标准的控制电源应在箱内自行变换取得。
(4)电控箱应具有短路、过载、断相及设备配套的各种特殊保护功能。
(5)电控箱设手动/自动控制转换开关。手动时在电控箱上手动操作控制,自动时根据储气罐压力参数自动控制空压机的运行。
(6)电控箱配置PLC控制器,所配PLC应自带通讯接口,通过采用满足全厂自控系统总体要求的接口及协议同全厂自控系统进行通讯。无源触点触点容量:220V,5A。
(7)电控箱要求详见电气设备技术规格数据表。









