



※具有耐高腐蚀和防酸碱性能※最适合用于气缸会与水或酸碱液、冷却液直接接触的机器上※适用行业:食品加工、化学化工、药品生产、切削机床、汽车清洗、海底石油、奶牛场、船舶及腐蚀性恶劣环境等※采用精密不锈钢缸筒。
蒋洪琴(4837495) 10:58:03
从2000年开始,宁波海蓝气动有限公司的前身奉化市溪口自动化元件厂就开发、生产全不锈钢气缸。起因是和客户交流时,客人反应各种普通气缸的问题,比如普通气缸在酸碱环境下使用,或者淋在水中,或者在海上受海水的侵蚀,一般来说不到3个月就会破损、漏气;如果用在食品机械上则可能会导致食品等级不达标,每天清洗不干净等问题。基于以上种种问题,我们就开始设计、生产全不锈钢气缸。
品质一向是是我们放在心尖上的重要指标,整个设计、开发过程中,我们采用国内正规厂家生产的不锈钢材料,采用日本进口密封件用来保证密封性能的可靠性。产品推出后,受到了很多客户的欢迎,他们现在已经变成了我们宁波海蓝气动的长期客户,虽然单价上来说,全不锈钢气缸要比普通的气缸贵不少,但是从特殊场合的使用寿命考虑和各种因为普通气缸导致的售后服务来看,反而是全不锈钢气缸更占优势。
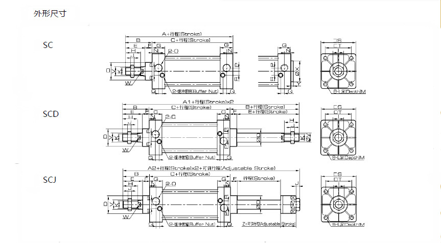
全不锈钢气缸材质主要有:不锈钢活塞杆、不锈钢活塞杆螺母、不锈钢精密缸筒、不锈钢前后端盖、不锈钢拉杆、不锈钢内六角圆柱拉杆螺母、不锈钢安装附件及附件固定螺栓等。我们所用的材料全部为不锈钢SS316,螺丝螺母采用不锈钢201等。
因为全不锈钢气缸具有耐高腐蚀和防酸碱性能,所以最适合用于气缸会与水或酸碱液、冷却液直接接触的机器上,适用的行业有食品加工、化学化工、药品生产、切削机床、汽车清洗、海底石油、奶牛场、船舶及腐蚀性恶劣环境等。我们宁波海蓝气动有限公司专注气动元件30年,同样专注生产气缸也有30年。









通过 
