

全新原装 安川变频器 V1000系列 (部分请询问货期)
型号: CIMR-VB4A0001
特征: 0.2K 三相380V
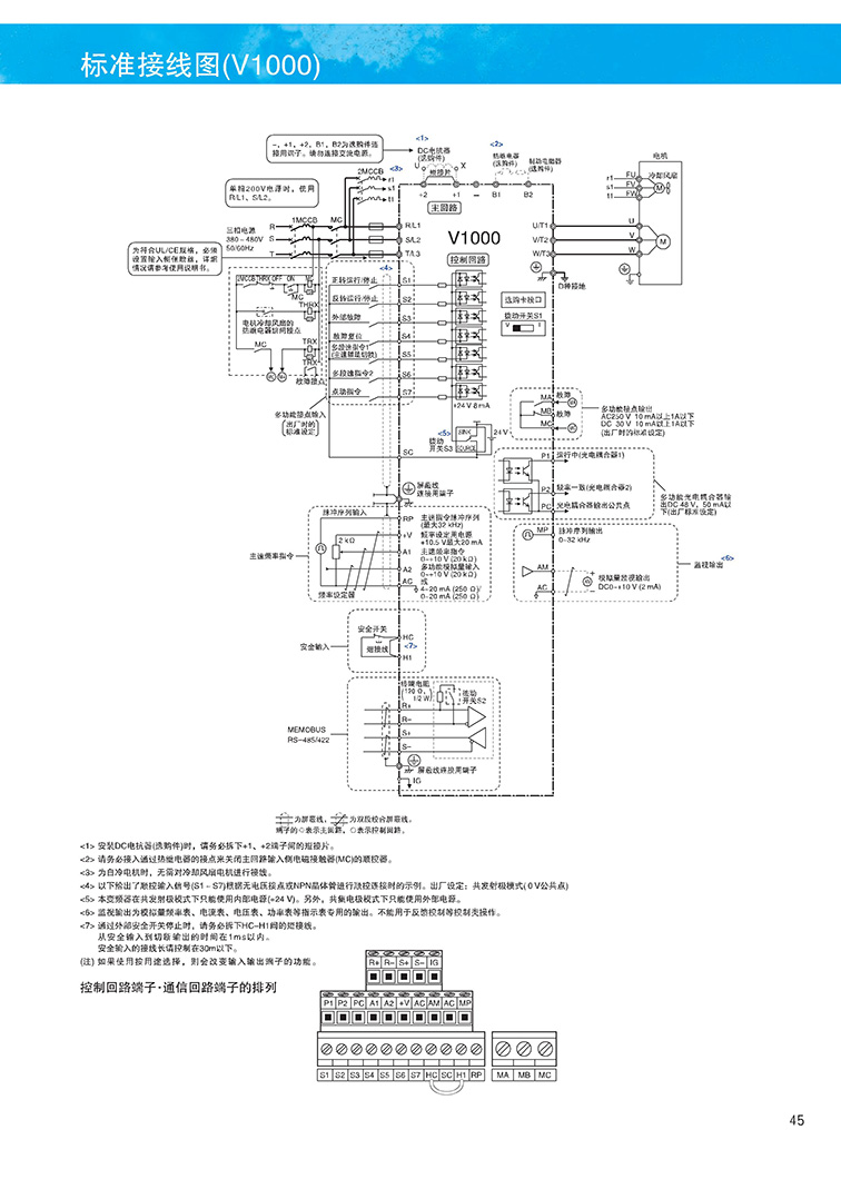
V1000 产品规格
性能惊人,用途广泛、使用维护简单、带有用户自编程功能,无论在哪方面都与以往的小型变频器有突破性的提高,
它将提高所有小型机械的等级。
容量范围
200V级 (三相电源用) 0.1-18.5KW
200V级 (单相电源用) 0.1-5.5KW
400V级 (三相电源用) 0.2-18.5KW
应用
搬送机械: 传送带、电动葫芦、起升机
民用机械: 卷帘门
流体机械: 风机、水泵
空调机: 压缩机
------------------------------------------------------------------------------
相应参数:












通过 
