
![]()
本产品为本公司专利产品,通过内部转子和丝杆的相对运动把电机的转动转化为直线运动,主要用于阀门控制,自动按钮,医疗器械,纺织机,机械手等等相关领域.
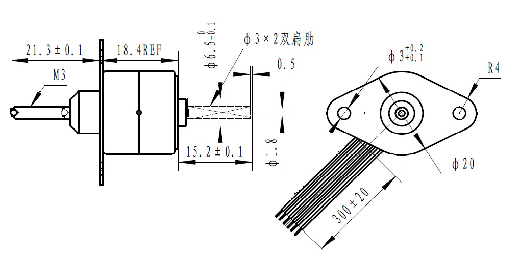
同时外面接线部分可以根据客户要求使用四根接线柱(光针)或者连接线,或者FPC FFC PCB等.
输出部分部分为直线运动.
我们团队具备10年以上的步进电机设计,开发和生产经验,所以可以根据客户的特殊需要实现产品开发和辅助设计!
客户的需要就是我们的努力方向,请随时联系!
![]()
![]()
![]()
按照600PPS驱动,电机轴的移动速度为每秒15mm 丝杆总行程为13mm
| 电压 | :6.0V DC | |||
| 电阻 | :21Ω±10% | |||
| 驱动方式 | :2 PHASES | |||
| 步进角度 | :18°/STEP | |||
| 牵入频率 | :600PPS | |||
| 推力 | :500gf.cm(AT 600PPS 6.0V DC) | |||



通过 
