品牌:杜安
电压:380V
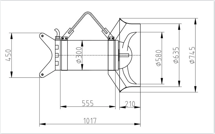
叶轮直径:620mm
机械密封:碳化钨
起订:1件
供应:500件
发货:3天内

潜水搅拌机技术说明:
1、供货范围:主机、安装支架等。
基本配置要求:电机防护等级IP68 轴承:SKF /FAG/NSK 轴:2Cr13不锈钢材质
2、技术要求
(1)潜水搅拌机转动平衡自如,无卡死、停滞、振动等现象;
(2)潜水搅拌机作密封气压实验,实验压力为3kg/m2,历时5分钟无泄漏现象;
(3)潜水搅拌机采用双机械密封结构和唇形密封组织;
(4)潜水搅拌机引出电缆采用GB5013.2中YZW型橡套软电缆或性能相同的其它电缆,单台标准配置长度10m,电缆密封头采用特殊硫化处理,以防电缆外皮破损,渗水至电机;
(5)潜水搅拌机表面喷涂防腐漆,其表面光亮,无污损,碰伤,裂痕等现象;
(6)潜水搅拌机油室内设有密封泄漏保护装置;
(7)潜水搅拌机引出电缆中双色线(黄/绿)规定为接地线,联接可靠。接地标志明显,在使用期内不易磨灭;
(8)潜水搅拌机桨叶及转子采用动平衡试验,平衡精度为G6.3;
(9)潜水搅拌机定子绕组内设有潮气传感器,以防电机绕组受潮烧毁。
3、结构设计
(1)主机
潜水搅拌机为直联冲压式结构,采用多级电机,叶片经冲压成型,精度好,效率高,结构紧凑,体积小,重量轻,操作维护方便,使用寿命长。壳体全部采用不锈钢制造,外形美观流畅。
潜水搅拌机采用斜齿轮减速机结构,结构紧凑,体积小,重量轻,叶轮通过CFD软件优化设计,水力性能好。
(2)接线盒
接线盒与周围液体、电机部分充分密封隔离;
冷却:电机定子由周围的液体冷却。
(3)叶片
潜水搅拌机叶片采用反扭曲曲线设计,使叶轮避免阻塞结渣。
(4)电机
电机绕组的绝缘等级为F等级,正常情况下,电机温度不超过80℃。电机防护等级采用IP68、较大工作温度155℃,允许温升100℃,并装入过热保护装置及泄漏监控。电机绕组的绝缘等级为F等级,正常情况下,电机温度不超过80℃。电机宜采用永磁高效电机,功率因数≥0.93。
(5)油室
润滑并冷却密封装置,轴承座及齿轮与电机和液体之间,油室起着减震和消音的作用,必要时可埋置一个气囊装置以减少和降低油室内的压力上升。
(6)轴承
潜水搅拌机轴承的运行寿命大于80000小时;
考虑到轴承运行中的不利因素,选用的轴承寿命将高于上述值。
(7)轴密封
潜水搅拌机(潜水推进器)有两个机械密封和一个唇形密封组成。密封装置材料:碳化钨。
(8)监测系统
定子绕组中装有两个热敏开关,热敏开关在125℃动作。
(9)材料
轴 2Cr13不锈钢
叶轮 304不锈钢
壳体 304不锈钢
导轨安装系统 304不锈钢
O型圈 丁晴橡胶
机械密封 碳化钨
潜水搅拌机工艺说明:
(1)工作条件
介质 污水处理厂进水、污泥等
pH值 7-9
介质温度 5~38℃
户外温度 -10℃~50℃
户外湿度 >90%
QJB22/2-620/3-480S大功率潜水搅拌机检查及验收:杜安环保每台潜水搅拌机出厂前都做以下试验(不限于此):
外观检验;
潜水搅拌机的运行状态试验;
潜水电机内腔的气压试验;
潜水电机各项指标的测定。
潜水搅拌机中承受工作压力的零部件均进行历时 3min 的水压试验而无渗漏,
试验压力为1.5 倍的工作压力,但不低于0.2MPa。
现场调试及验收工作:
现场设备安装后,潜水搅拌机进行清水和排泥水运行试验,检测性能参数,确保设备符合技术要求,运行过程中满足:电机电流不超过额定电流;潜水搅拌机运行平稳无异常声响和振动;所有密封部位无漏油漏水现象;潜水搅拌机在导杆上滑行无卡滞现象, 导轨及吊架不变形。







