
1WC EWC 系列单向轴承又称渔线轮用单向滚针轴承,属于单向轴承类,也是离合器的一种,主要用于鱼线轮 飞钓轮,冰钓轮,纺车轮,材质有ST14外圈电镀,不锈钢,盐雾试验超过150小时,无论是海水还是淡水都能够保证渔轮的正常使用。
渔轮单向轴承在拥有单向滚针轴承优先点的同时他必须拥有渔具使用过程中所拥有的特性。
1. 旋转要灵活。要求轴承旋转灵活是为了渔轮在旋转过程中减少阻力,减少轴承及其他配件磨损,也为渔轮收放线的同时更加灵活到位,这样客户在垂钓的过程中心情更加舒畅。
2. 扭矩要大。大扭矩其他很简单为的是避免渔轮的返修率,能够调到更大分量更大的鱼。
3. 防锈。旋转高端渔渔轮都已经采用了不锈钢材质,盐雾试验超过150小时,无论是海水还是淡水都能够保证渔轮的正常使用。
4、耐低温零下30度(保守)

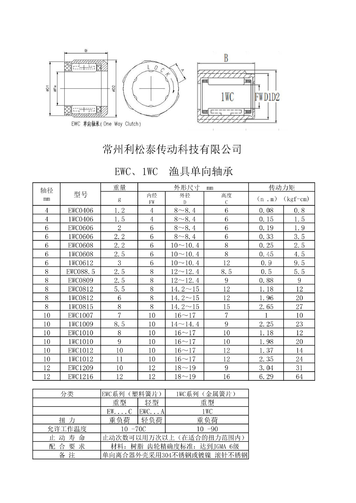
尺寸规格

应用:


我司是滚针单向轴承专业制造商,1WC,EWC系列单向轴承广泛用于 点钞机 渔具 玩具及电动工具等~~外圈材料可根据客户要求生产。

企业资料通过认证
