
![%`MI{ZT5OL_AY]V%493{UO8](https://cbu01.alicdn.com/img/ibank/O1CN011Lmemb1tU58T4bClN_!!2586235904-0-cib.jpg?__r__=1659426432472)
产品介绍
-
- 产品信息
- 名称: USB连接器
- 品牌: 俊嘉电子
- 货号:全贴USB连接器
- 颜色:镀镍,雾锡
- 产品介绍:
-
MiniUSB,又称迷你USB,是一种USB接口标准,USB是英文UniversalSerialBUS的缩写,中文含义是“通用串行总线”,是为在PC与数码设备间传输数据而开发的技术。标准USB、MiniUSB、MicroUSB成为目前最常见的USB接口。与标准USB相比,MiniUSB更小,适用于移动设备等小型电子设备。
产品实拍图
|
USB/1394插座系列主要技术指标
|
|||
|
使用温度范围
|
-40-70oC
|
耐压
|
AC500V(50Hz)1min
|
|
额定负荷
|
DC 30V 0.2A
|
插拔力
|
10-35N
|
|
接触电阻
|
<0.03Ω
|
寿命
|
10000次
|
|
绝缘电阻
|
>100MΩ
|
||
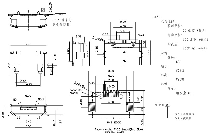
产品规格尺寸图


产品封装种类:
USB有三种封装:散装人工插件、SMT贴片封装、DIP插件编带封装。
接口定义:
Mini USB A、 B连接器及其触点(未按比例绘制)Mini USB连接器触点功能
1 VBUS (4.4–5.25 V)
2 D−
3 D+
4 ID
5 接地
其中id脚在otg功能中才使用。由于mini usb接口分mini-A、B和AB接口。如果你的系统仅仅是用做slave,那么就使用B接口,系统控制器会判断ID脚的电平判断是什么样的设备插入,如果是高平,则是B接头插入,此时系统就做主模式,如果ID为低,则是A接口插入,然后系统就会使用HNP对话协议来决定哪个做Master,哪个做slave
OTG是On-The-Go的缩写,即OTG技术就是实现在没有Host的情况下,实现从设备间的数据传送。主要应用于各种不同的设备或移动设备间的联接,进行数据交换。 例如数码相机直接连接到打印机上,通过OTG技术,连接两台设备间的USB口,将拍出的相片立即打印出来;也可以将数码照相机中的数据,通过OTG发送到USB接口的移动硬盘上,野外操作就没有必要携带价格昂贵的存储卡,或者背一个便携电脑。
mini USB除了第4针外,其他接口功能皆与标准USB相同。第4针成为ID,在mini-A上连接到第5针,在mini-B可以悬空亦可连接到第5针
生产设备图

测试设备图

购买须知

企业资料通过认证


